Con una vasta esperienza nella produzione di valvole criogeniche, Hanno Valve offre sia valvole di ritegno per basse temperature progettate in modo utile che modifiche personalizzate di valvole standard per il servizio criogenico, tutte elaborate internamente sotto un rigoroso controllo di qualità. Forniamo modifiche personalizzate e test non distruttivi accelerati.
In ambienti a temperature estremamente basse, l'affidabilità delle valvole determina direttamente la sicurezza del sistema.
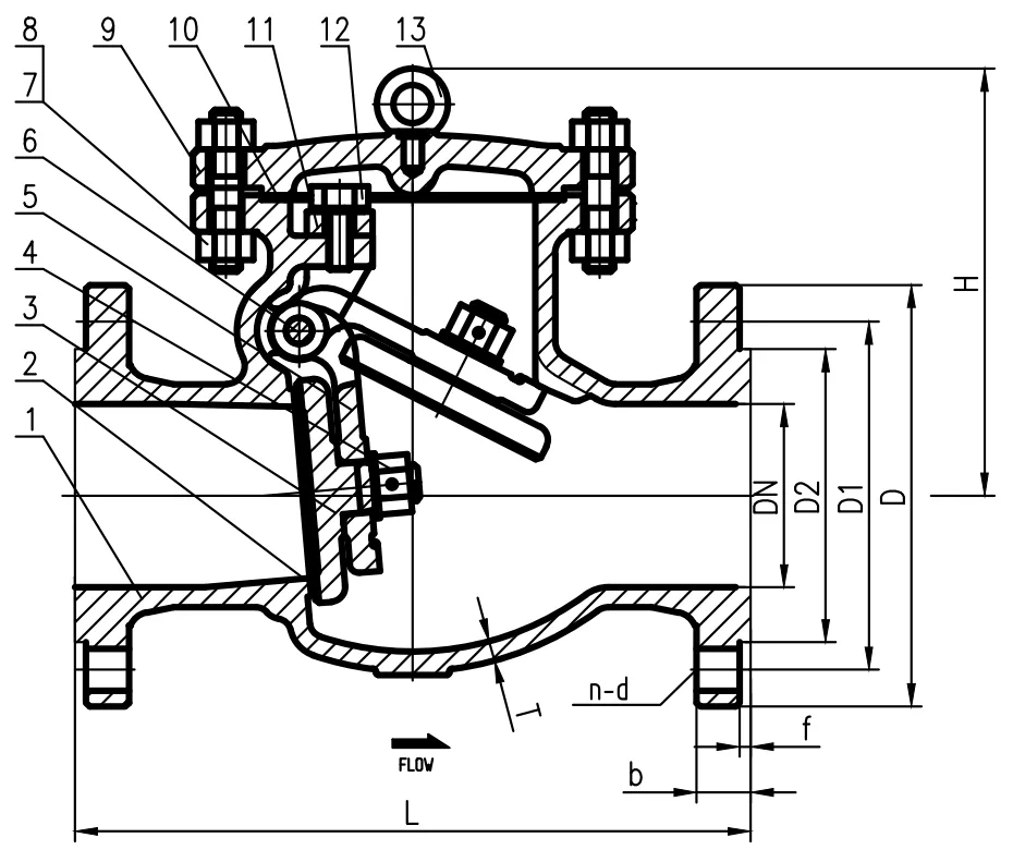
Le valvole di ritegno per basse temperature Hanno sono progettate specificatamente per applicazioni a bassa temperatura e criogeniche, prevenendo efficacemente il riflusso del fluido in condizioni di temperatura estremamente bassa e garantendo il funzionamento stabile e a lungo termine del sistema.
Per i sistemi criogenici, la temperatura è una delle sfide più impegnative.
Le valvole di ritegno per basse temperature Hanno sono progettate per condizioni di temperatura estremamente bassa e possono funzionare continuamente in ambienti a temperatura estremamente bassa. Sono utilizzati per mezzi criogenici come GNL, ossigeno liquido, azoto liquido e idrogeno liquido. Anche a temperature fino a -253°C (-425°F), mantengono eccellenti prestazioni di tenuta e un funzionamento affidabile, rendendoli un componente indispensabile nei sistemi criogenici.
Negli ambienti a bassa temperatura, le proprietà dei materiali, la struttura di tenuta e il funzionamento della valvola cambiano.
Le valvole di ritegno per basse temperature sono ottimizzate per affrontare questi cambiamenti, garantendo affidabilità anche in condizioni estreme.
Progettazione strutturale e dei materiali specifica per ambienti criogenici
Mantiene il funzionamento sensibile della valvola e prestazioni stabili a temperature estremamente basse
Previene efficacemente il riflusso dei mezzi criogenici
Riduce i rischi del sistema e migliora la sicurezza operativa complessiva
Soddisfa le esigenze di funzionamento a lungo termine e ad alta frequenza in sistemi a bassa temperatura
Riduce la frequenza di manutenzione e minimizza i rischi di fermo macchina
Adatto per vari mezzi criogenici come GNL, ossigeno liquido, azoto liquido e idrogeno liquido
Soddisfa le esigenze applicative a bassa temperatura di diversi settori
Q1: Qual è la differenza più grande tra le valvole di ritegno per basse temperature e le normali valvole di ritegno?
R: Le valvole di ritegno per basse temperature sono progettate specificamente per applicazioni criogeniche e mantengono una tenuta stabile e prestazioni operative in ambienti a temperature estremamente basse, mentre le normali valvole di ritegno sono soggette a guasti di tenuta o a un funzionamento lento in tali ambienti.
Q2: Con quali mezzi criogenici può essere utilizzato?
R: Adatto a vari mezzi criogenici e a bassa temperatura come GNL, ossigeno liquido, azoto liquido e idrogeno liquido. La selezione specifica può essere abbinata in base alle condizioni di lavoro effettive.
Q3: È adatto a sistemi operativi continui?
R: Sì. Le valvole di ritegno per basse temperature Hanno possono soddisfare le esigenze di funzionamento continuo a lungo termine in sistemi a bassa temperatura e offrire un'elevata affidabilità.
Q4: può essere selezionato o personalizzato in base ai requisiti del progetto?
R: Sì. Hanno può fornire consulenza professionale per la selezione e supporto per soluzioni personalizzate in base alle diverse condizioni operative.
Le valvole di ritegno a bassa temperatura di Hanno Valve sono prodotte sotto un controllo di alta qualità per garantire affidabilità a lungo termine nelle applicazioni criogeniche critiche. Contattaci subito per trovare la valvola adatta alle tue esigenze!

